
Si vous êtes familier avec l'électronique et l'ingénierie radio, un problème se pose souvent : il y a un transformateur suffisamment puissant, mais la tension de l'enroulement secondaire n'est pas suffisante. Rembobiner sa tâche est très difficile. Dans cet article, nous allons vous montrer comment doubler la tension d'un transformateur sans rembobinage, avec seulement deux diodes et deux condensateurs.
Contenu:
Lire aussi : TOP-10 Meilleurs stabilisateurs de tension 220V pour une maison privée | Note + avis
Matériaux pour travail
Pour doubler la tension d'un transformateur, il vous faudra :
- deux diodes redresseuses 1N4007 ;
- deux condensateurs électrolytiques 2200 uF 25 V ;
- fer à souder;
- fils isolés;
- pinces coupantes;
- multimètre.
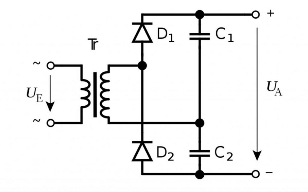
Étape 1. Assemblage du circuit doubleur de tension
Nous montons un doubleur selon le schéma Latour - Delon - Grenacher.

Schème
Nous mordons un peu à un condensateur la jambe positive du second - le moins et les soudons ensemble.

Soudez les diodes aux deuxièmes pattes des condensateurs en respectant la polarité.

Nous soudons les jambes restantes des diodes de redressement les unes aux autres.

Étape 2. Test
Avec un multimètre, nous mesurons la tension sur l'enroulement secondaire du transformateur - 11 V AC.

Source : https://youtu.be/AHtMgGZZXUo
Nous soudons les sorties du transformateur au doubleur. Nous soudons également quelques fils à la sortie du doubleur.

Nous mesurons la tension à la sortie du circuit - 30 V DC.

Comment doubler la tension d'un transformateur sans rembobinage
Comment doubler la tension ⚡⚡ d'un transformateur sans rembobinage en utilisant seulement 4 pièces